Díly pro CNC automatizaci výroby z chromované oceli 100Cr6-1.3505 GCr15 s vnějším vláknem pro textilní stroje
Výstavba produktů Rozsah produktů Pompuvové válcové prstence, Textilní strojní válcové prstence, Kolečkové válcové prstence, Prstence s hlubokou brázdou a tisíce nestandardních výrobních prstenů. Materiál Chromová ocel Gcr15/100Cr6/SUJ2/SAE52100/EN...
          
          - Přehled
- Související produkty
Zobrazení produktu 

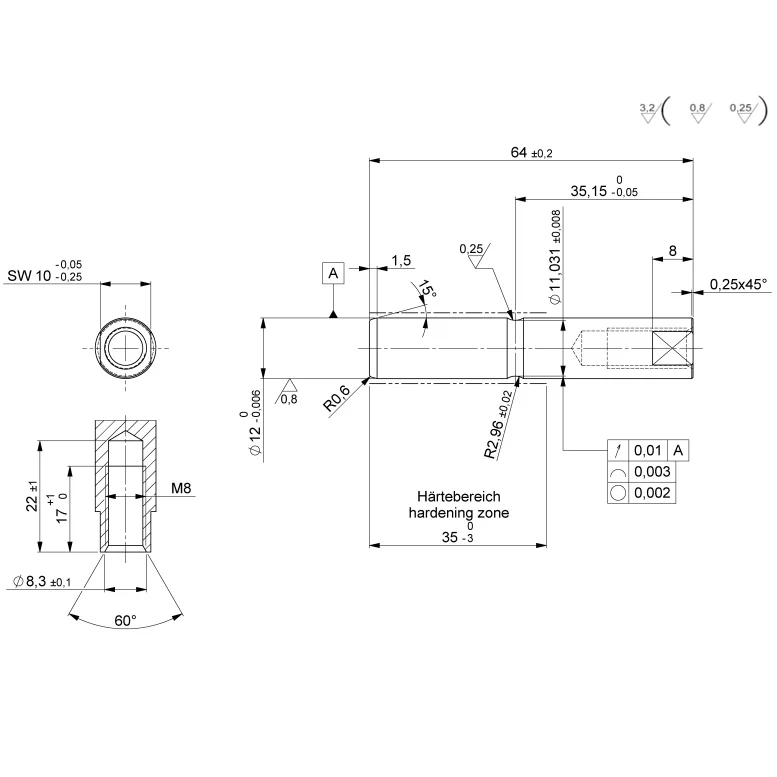
| Sortiment produktů  | Kroužek pro pumpy, kroužek pro ložiska textilních strojů, kroužek pro kolová ložiska, hlubokouhlové kulové ložisko a tisíce nestandardních přizpůsobených kroužků.  | 
| Materiál  | Hrubičková ocel Gcr15/100Cr6/SUJ2/SAE52100/EN31, uhlíková ocel Q235B, ocel č. 20, ocel č. 45, ocel 20Cr~40Cr, nerdzidá ocel SS304 SS420 SS440 a další.  | 
| OD    | 5mm~260mm  | 
| Délka  | 1mm~100mm  | 
| Tepelné ošetření  | Tepelné zpracování, měkčení, šlachování, uhličení.  | 
| Technika zpracování  | CNC zpracování, vrtání, frézování, zaoblení hran, zpracovací centrum  | 
| Způsob výroby  | Zpracování z materiálu zákazníka, zpracování podle nákresu nebo vzorků, výroba podle značky (OEM), nestandardní přizpůsobení a další.  | 
Výrobní displej 

Automatické kanálkové CNC soustruh 

zpracování na CNC torno s 2 sekvencemi 

Vícestupňové automatické torno 

CNC obrábění vnějšího kruhu 

Plná kontrola rozměrů výroby 

Sklad   
Kontrolní přístroje 

Detektor povrchové hrubosti 
Testér tvrdosti Rockwell 
Detektor přesnosti 
Certifikát 

 
       EN
    EN
    
   
                 
                 
                 
                 
                 
    
             
                       
                       
                       
                       
                      